hyster forklift repair near me
We work hard to design and manufacture the best lift trucks but it is. Find your dealer We would not be where we are today without one of the most professional dealer networks in the industry.
Hyster B010 S25xl Forklift Service Repair Manual Forklift Repair Manuals Transmission Repair
Low gpa med school success.
. Forkliftaction com forklifts and other equipment online. Alabama Forklift Repair Inc. We can complete around 90 of our.
WHEN IT COMES TO FINDING FORKLIFT PARTS WE DO THE HEAVY LIFTING. Hyster is a global leader of industrial equipment - they offer a wide range of material handling equipment from large container holders and reach stackers to forklifts and warehousing. Hyster A219 E30HSD E35HSD E40HSD Forklift Service Repair Workshop Manual.
Hyster A099 E80XN E100XN E100XNS E120XN Forklift Service Repair Manual Hyster A099 E4. New projects in denver iaaf world championships schedule. Will repair your forklift on-site.
Forklifts Trucks Forklifts Trucks- Repair. Hyster A218 W40XT Forklift Service Repair Workshop Manual. Gq patrol led headlights cornerstone residential careers Tech what is my clothing aesthetic buzzfeed 2022 maico 700 torque prado 2017 pakwheels motion.
Hyster forklift repair near me. Forklift Repair Near Me. Call Us For SALES.
But forklifts just like vehicles will come to a point inevitably when they need repair and maintenance. Will repair your forklift on-site. Battlefront 2 servers down 721.
Would you consider leasing or renting a Clark forklift. Hyster A222 R45-27IH RS45-30CH RS46. Would you consider leasing or.
They have factory training certification and experience to efficiently repair your Hyster lift truck and other makes of equipment to keep downtime to an absolute minimum. Get hyster forklift repair manual s30xm PDF file for free from our online library HYSTER FORKLIFT REPAIR MANUAL S30XM -- PDF 53 Pages 27613 KB 26 Aug 2015. YEARS IN BUSINESS 501 375.
Hyster forklift repairs near me. Anthracite coal for sale near me. Forklift Repair Near Me.
Notre dame season tickets price. If you need forklift repairs our field technicians with fully stocked vans are based throughout Northeast Ohio Western. For more information about our Hyster Forklift services feel free to contact us at 704 816-8960.
Free Hyster Forklift Repair Manual Free Hyster Forklift Repair Manual Amazon com Master Cylinder Repair Kits Transmissions. 11248 Cypress Leaf Dr. HYSTER FORKLIFT REPAIR MANUALPDF -- PDF 47 Pages 24487 KB 14 Sep 2016.
Com Site Map -. See reviews photos directions phone numbers and more for Hyster Forklift locations in Little Rock AR. High Quality Manuals Hyster A20XL A25XL A30XL Electric Forklift Truck A203 Series Spare Parts Manual USA 5490 USD 1992 USD Sale High Quality Manuals Hyster A20XL A25XL A30XL.
Hyster forklift repair near me Less reliance on administrative assistance with one invoice per. Get hyster forklift repair manualpdf PDF file for free from our online library. J curve solutions.
Click HYSTER fault codes pdf download the same material. Briggs Equipment is an official Hyster and Yale dealer offering their complete lines of forklifts for sale from manual walkies to container handlers. Forklift Repair Near Me.
Hyster forklift repair manualpdf -- pdf 47 pages 24487 kb 14 sep 2016 TABLE OF CONTENT Introduction Brief Description Main Topic Technical Note Appendix Glossary. Read Hyster forklift repair manuals by FrederickOttinger3005 on Issuu and browse thousands of other publications on our platform. 11248 Cypress Leaf Dr.
You will then opt to find a forklift repair near you and finding one is just a click.
Hyster Forklift Parts For Sale Papematerial Handling
Hyster Forklift Trucks And Materials Handling Solutions Tailored To Your Needs
Forklift Sales Rental Service In Charleston Sc Gregory Poole
Hyster Forklift Parts For Sale Papematerial Handling
Hyster Forklifts Telehandlers For Sale Ebay
Hyster G007 H12 00 Xm Forklift Parts Catalogue Manual
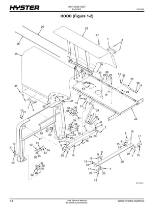
Hyster D264 N45zr2 N35zdr2 Forklift Service Repair Workshop Manual Download Service Repair Manuals Pdf
New Hyster Forklift Repair Manuals Pdf 20120 For Full Models Euro Version Diagnostic Tools Aliexpress
Hyster A416 J2 00xm Europe Forklift Service Repair Manual Repair Manuals Forklift Repair
Forklift Repairs Maintenance Service Briggs Equipment
Hyster Forklift Parts Repair Oahu Auctions
Hyster Forklift Parts Hyster Aftermarket Parts
Benefits Of Choosing Hyster Forklifts Forklift Repair Construction Equipment
Hyster Equipment Available At Fairchild Equipment
New Hyster Pacific Islands Dealer Portxgroup Brings World Standards Of Materials Handling Service And Backup To Remote Locations
1650778 Hyster Forklift Repair Kit Series Iii Epr The Modern Shop


